昆山瑞以森传感器有限公司

KUNSHAN REESENSOR CO.,LTD.

昆山开发区昆嘉路379号7号房
+86-0512-57369161
您的当前位置:
RES02干簧传感器
    发布时间: 2011-11-01 11:18    
RES02干簧传感器

  RES02为磁场驱动的干簧接近开关,适于螺丝安装。此传感器应安装于一个固定的表面,驱动磁铁安装于活动的表面,靠近或远离磁场将决定干簧开关的吸合和断开。

产品选型:RES02- H24B
H :指触点形式H常开、D常闭、Z 转换
24:开关型号 (根据客户要求选型)
B :指磁场灵敏度 ,灵敏度有B、C、D、E区间(见右表格)

灵敏度

吸合值范围

B

10-15AT

C

15-20AT

D

20-25AT

E

25-30AT

产品特征:

  • 开关功率高
  • 可选其它线束、连接器和颜色
  • 多种外壳尺寸
  • 五个磁场灵敏范围
  • 可选线束端子和长度

典型应用:

  • 位置和端点感测
  • 汽液缸位置指示和末端行程感测
  • 门窗控制
  • 安全系统
  • 液位感测
  • 与磁性浮标一起使用来感测咖啡机、洗衣机和洗碗机的水位

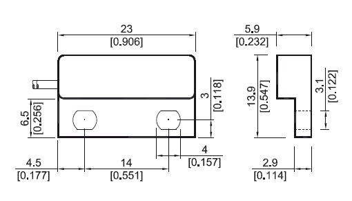
产品结构图:

 

性能参数:

触点数据(20℃)

条件

数值

单位

切换功率

直流电压和电流都不能超过各自最大值

max.10

W

切换电压

DC或AC峰值

max.200

V

切换电流

DC或AC峰值

max.0.5

A

通电电流

DC或AC峰值

max.1.25

A

静态接触电阻

6V & 10mA测量

max.150

动态接触电阻

6V & 10mA测量

max.200

簧片间绝缘电阻

100V条件下

min.1010

Ω

触点间击穿电压

60S

min.225

V

包括回跳的工作时间

100%过激励

max.0.5

Ms

释放时间

无线圈抑制

max.0.1

Ms

产品中心​
Product center
   

昆山瑞以森传感器有限公司

厂址:昆山开发区昆嘉路379号7号房

总机:+86-512-57369161

联系人:魏先生

手机:13774453459\13338056651

邮箱:sales@reesensor.com

址:www.reesensor.com