昆山瑞以森传感器有限公司

KUNSHAN REESENSOR CO.,LTD.

昆山开发区昆嘉路379号7号房
+86-0512-57369161
您的当前位置:
RES11干簧传感器
    发布时间: 2011-11-01 13:41    
RES11干簧传感器

  RES11传感器必须垂直安装以达到最佳效果。两种材质供您选择:用于水和稀酸的PP(聚丙烯)用于石油、汽油和制动液的PA(聚酰胺)

产品选型:RES11- H24
H :指触点形式H常开、D常闭
24:开关型号 (根据客户要求选型)

D型常闭                H型常开

产品特征:

  • 提供高功率开关
  • 其它线缆、连接器和颜色选择

典型应用:

  • 液位控制
  • 液位测量
  • 家用电器、汽车、测试测量和控制技术中的液体
  • 容器监测

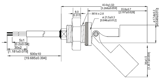
产品结构图:

性能参数:(可选)

触点数据(20℃)

条件

数值

单位

切换功率

直流电压和电流都不能超过各自最大值

max.10

W

切换电压

DC或AC峰值

max.200

V

切换电流

DC或AC峰值

max.0.5

A

通电电流

DC或AC峰值

max.0.5

A

静态接触电阻

6V & 10mA测量

max.150

动态接触电阻

6V & 10mA测量

max.200

簧片间绝缘电阻

100V条件下

min.1012

Ω

触点间击穿电压

60S

min.225

V

包括回跳的工作时间

100%过激励

max.0.6

Ms

释放时间

无线圈抑制

max.0.1

Ms

产品中心​
Product center
   

昆山瑞以森传感器有限公司

厂址:昆山开发区昆嘉路379号7号房

总机:+86-512-57369161

联系人:魏先生

手机:13774453459\13338056651

邮箱:sales@reesensor.com

址:www.reesensor.com